产品中心
产品中心
值得信赖的生产型企业
首页 > 产品中心
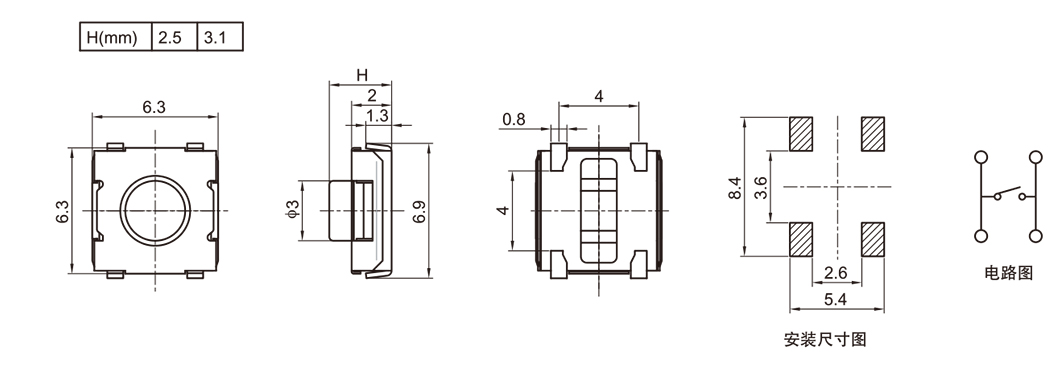
TS6247

温度范围:-25~70℃

额定值:12V DC 50mA

接触电阻:≤50mΩ

绝缘电阻:≥100mΩ(100VDC)

耐电压:250V AC for 1 min

动作力:A:100gf  B:160gf  C:250gf

行程:0.25±0.1mm

寿命:100,000 cycles Min.



产品描述

5-2.jpg